
随着中国工业的发展,聚氨酯冷库板或者净化板越来越受欢迎,它适用于各种保鲜库,低温库、净化车间,以及医院,食品厂。
冷库可以作为净化板使用,并且有很好的性价比,小编一一介绍一下。

冷库净化规格
厚度:
50mm 75mm、100mm、120mm、150mm、200mm。
宽度:600-1000mm(远大可以定制)
版型:纯平 方波 小波文
导热系数:≤0.024w/(m.k)
材质:不锈钢 彩钢板 铝镁锰
冷库(净化)板型
✦ 1、按金属材质来分:
a.彩钢板:具备较强的防锈能力,无防腐能力。
b.不锈钢板:优质的防腐,防锈材料。
c.铝板:外型美观,具有一定的防锈防腐能力
d.以上三种冷库板材料可以任意组合。
✦ 2、由适用温度区分
a.50mm厚库板:适用于常温车间隔断墙。
b.100mm厚库板:适用于保鲜库(-5℃以上)。
c.150mm厚库板:适用于冷藏库(-25℃以上)。
d.200mm厚库板:适用于速冻库(-35℃以上)。
✦ 3、按表面材料厚度、颜色来分:
a.不锈钢厚度0.5mm~0.8mm无颜色要求。
b.彩钢板板厚度0.3mm~0.7mm,PE PVDF HDP烤漆,象牙白、白灰等颜色。
c.铝板0.5mm无颜色要求。
✦ 4、按波形来分:
a.平板:表面材料成型后为平面。
b.大波纹板:表面材料成型后为凹凸型。
5、按生产规格及生产工艺来分:
板宽1000mm,板长≤18m连续线生产

聚氨酯冷库板特点:
1、凹凸槽的结构,提高了板材接缝处绝缘气密性,专为冷藏室,仓库设计。
2、板材均匀稳固,隔热性能、防水性能极佳。自重轻,外观优美,有效解决冷藏工业温差。
3、自由延申, 在一定的模数内,库体可在长、宽、高三个方向自由变化,能够依需要扩大或缩小,也可将拼装板拆开,异地再装,安装简易快捷。
4、比较其他板材
A、聚氨酯冷库板相对于聚苯保温板,聚氨酯喷涂有着很大的优势。
B、聚氨酯冷库板导热系数≤0.024w/(m.k),保温性能好,阻燃性能上能离火自熄,且不产生熔滴易燃。
C、强度一次成型发泡,强度高厚粘结成型。
D、吸水性能硬泡闭孔结构,吸水率极低容易吸水。使用寿命泡沫稳定不易霉变,不生寄生虫,使用寿命长,容易吸水。

一、 施工方案
施工应采用流水施工方案。先防潮隔汽及地面保温、保温板部分,后包边包角装饰部分。遵照先主体后围护,先结构后装饰,依次投入施工。
二、 安装前准备工作
安装前检查钢结构、土建是否达到设计要求的直线度、平面度等,预制库板槽的宽度、直线度是否达到要求,库板基础轴线与轴线是否垂直,否则应通知土建方整修,合格后方可施工。

开工前的准备工作(聚氨酯板)
1、准备安装工具:(1)锁盒扳手(随机工具) (2)密封膏注射枪(随机工具)
2、检查待装库板有无损伤,清除钩盒和锁盒中的异物,并用锁盒扳手转动锁钩看是否灵活,如有阻滞应进行修复。
3、用凹凸模具块检测库板结合面处的凹凸槽,凹凸槽不平整的泡沫必须修平,要求模块与库板间隙δ≤2mm,达不到要求的现场整修。同时清除内外面板四周边缘10~20mm的塑料薄膜。

三、库板的安装
❖ 1、首先根据设计图纸确定固定侧板C型钢的标高,及平面位置,然后利用两端柱子放线标记C型钢位置,据此准确将C型钢与钢柱或砼柱连接并固定牢固。
❖ 2、侧板的安装 先把侧板平放在地面上,根据C型钢位置找好固定库板的蘑菇头尼龙螺栓孔的位置,钻孔。
然后侧立库板让凸边在上,将密封膏管口切开,并将注射嘴切成45度的小切口后拧上。
然后一起装入密封膏注射枪,在库板凸槽的A、B两处各均匀注射一道密封膏(约φ6~8mm)。
每块库板在与其它库板连接前,均应先在凸槽两边处注射密封膏。再把蘑菇头的凹槽中打满密封胶后插入钻好的孔中。立起侧板,将其放在预制槽中。
根据要求的相关因素确定第一张库板的坐标,保证整块库板在X、Y、Z轴三个方向的平直。

❖ 3、方法可借助水平管、垂直检测尺,水平检测尺。根据设计图纸用注水的水平管测出库板Z轴的标高,若有偏差可用聚氨酯泡沫找平。
然后用垂直检测尺靠在库板压痕上调整库板Y轴垂直度,直至库板调正为止,X轴方向直线度可依据C型钢位置确定,也可用水平尺测量调整。
库板调整好后,把连接件(热浸锌见下图)插入尼龙螺栓中,把紧螺母。紧接着将连接件与C型钢焊牢,在此过程将侧板扶好把牢,不能使其移位。

第二块库板经钻孔、打胶、插蘑菇头后,同第一块板放到预制槽中,同上检测X方向的直线度,Y方向的平面度及Z轴的坐标是否一样,同时要求库板间缝隙δ≤3mm(100mm、125mm),δ≤4mm(150mm、180mm、200mm)。
各项完成后,将钩锁盒锁住,缩紧的顺序是从中间的锁钩开始,向两端进行。
铺设一块,缩紧一块,并把角铁块穿过螺栓把紧。然后将固定侧板的连接件焊接于C型钢上。

❖ 4、顶板的安装 顶板吊装可借助开降平台或滑轮等,顶板与顶板之间的联接方法和侧板与侧板之间的联接方法相同,在安装过程中要保证各顶板外表面及两端平齐。
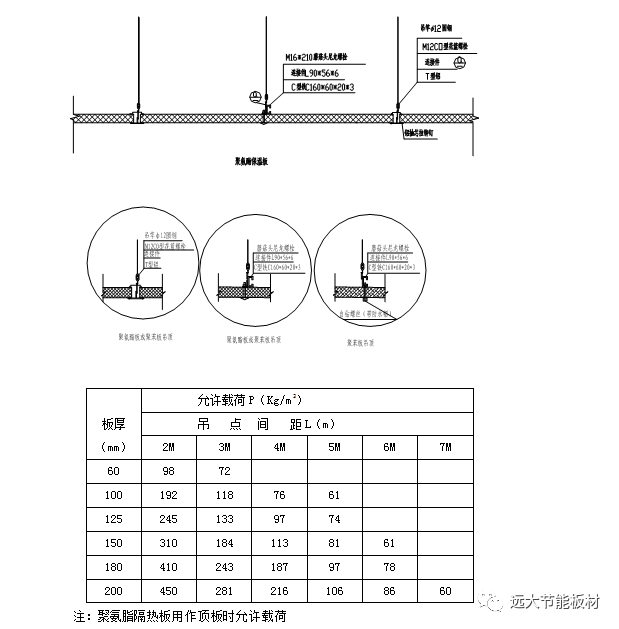
顶板的安装其钻孔、打胶、板缝等要求同墙板,若采用T型铝(替代T型铁)吊顶,库板吊点间距视顶板荷载确定(见下表)。间距大于设计要求应增加吊点数量,每道吊点都应与钢梁或檀条相联。(见下图)

5、打胶 侧板和顶板安装好后应清洁内外面板板缝,打密封胶,要求均匀、美观、严密。
如果紧靠房间墙壁的库体的外板缝无法注射密封膏,则应在库板开始安装时,将密封膏注射更饱满一些,以保证密封效果。
侧板与预制槽道之间的缝隙要现场发泡,然后水泥沙浆找平。(见下图)

四、包角、开洞处理
❖ 1、包角处理 包角处如需现场发泡,聚氨脂保温板与保温板搭接处预留50mm空隙,以便于发泡,
发泡前首先把角铝(或成品弧铝)用抽芯铝拉铆钉固定内角,角铝(或圆弧铝)与库板接触面打密封胶,待密封胶凝固后(凝固时间应在24小时以上),
再包外包角,(外包角如下图所示),外包角边缘与库板接触面下,铺垫单面带胶软泡,用拉铆钉固定(@100~150mm),间距均匀,然后进行发泡料浇注(发泡完成后,清理溢出的发泡料)。

❖ 2、板上若开门、窗等孔洞应根据设计图纸定位,划线,用签字在四个角点钉过库板在另一面钢板上形成点痕,
然后用曲线锯或其它工具沿划线切割,开洞后,洞边要做包边处理。
库板安装完毕,所有的锁孔堵上胶堵,揭去薄膜,清洁库板表面污渍。

五、聚氨酯净化板的优势
1:高效绝缘
由于聚氨酯板中使用的发泡剂的导热率远低于空气的导热性(良好的绝缘性),因此聚氨酯硬质泡沫的绝缘性能优于矿物棉,玻璃纤维和聚苯乙烯等纯空气材料。。此外,其独特的闭孔和高气体扩散阻力使其具有优异的长期绝缘性能,其绝缘性能可持续20 – 50年或更长时间。
2:耐腐蚀性
聚氨酯硬质泡沫的闭孔结构和所用的表面材料使其具有优异的耐空气和防潮性,并且在成型过程中可以制成马赛克结构,易于组装。它不需要额外的绝缘层来保护它免受潮湿,从而不需要许多绝缘层。其他绝缘材料不能达到这些特性。
3:宽,轻,薄壁
由于聚氨酯硬质泡沫同时用作结构材料,整体结构具有重量轻,跨度大,负荷高的优点。与其他绝缘材料相比,聚氨酯硬质泡沫具有*绝缘性能。因此,更薄的聚氨酯夹层板可以满足建筑能量要求,并允许在施工期间使用更薄的板,节省建筑空间。
4:质量稳定,生产效率高
如今,在需求急剧增加的情况下,生产聚氨酯夹芯板工厂生产线,除了控制质量的便利性外,还带来了良好的经济性和竞争力。
5:耐候性好,安装方便
聚氨酯夹芯板在工厂预制,可直接用于建筑物安装,无需额外的工艺和结构。并且无需考虑天气变化即可规划生产。
该产品是一种具有优异性能的合成材料。它具有比强度高,导热系数低的优点。
温馨提醒远大官方抖音号码已经对外开放,欢迎关注抖音名称:远大节能板材
抖音号码:yuandabancai
编辑|杨敏
图片|杨敏
远大节能板材
专业的钢结构外墙维护专家
热线:18703880862
24小时电话:4008850626
网址:www.ydxxbc.com/
在路上,我们一直在努力!
免责声明:文章内容来自互联网,本站仅提供信息存储空间服务,真实性请自行鉴别,本站不承担任何责任,如有侵权等情况,请与本站联系删除。