2N5551是一种常用的NPN型晶体管,广泛应用于电子电路中的放大、开关和驱动等功能。它具有高电流增益、低噪声、高频响应等优点,被广泛应用于各种电子设备中。

一、2N5551的参数
2N5551是一种NPN型晶体管,其参数包括最大集电极电流(IC)、最大集电极-基极电压(VCEO)、最大功耗(Ptot)等。其中,最大集电极电流指的是晶体管可以承受的最大电流,一般为600mA;最大集电极-基极电压是指晶体管的最大工作电压,一般为160V;最大功耗则是晶体管可以承受的最大功率,一般为625mW。
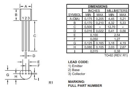
二、2N5551的管脚图
2N5551的管脚图如下所示:
(插入2N5551的管脚图)
从管脚图可以看出,2N5551一共有三个管脚,分别是发射极(Emitter)、基极(Base)和集电极(Collector)。发射极用来输入电流,基极用来控制输出电流,而集电极则是输出电流的接收端。
三、2N5551的应用
2N5551广泛应用于各种电子设备中,包括放大电路、开关电路和驱动电路等。下面将从放大、开关和驱动三个方面详细介绍其应用。
3.1 放大电路中的应用
在放大电路中,2N5551可以作为信号放大器使用。它可以将输入信号放大,并输出到负载上。在这种应用中,2N5551的基极接收输入信号,发射极接地,而集电极则连接负载。通过调节基极电流,可以控制2N5551的放大倍数,从而实现信号的放大。
3.2 开关电路中的应用
在开关电路中,2N5551可以用作开关管。当基极电流为零时,2N5551处于关断状态,此时集电极与发射极之间的电流为零;当基极电流大于一定阈值时,2N5551处于导通状态,此时集电极与发射极之间的电流可以通过。通过控制基极电流的开闭,可以实现对电路的开关控制。
3.3 驱动电路中的应用
在驱动电路中,2N5551可以用作信号驱动器。它可以将输入信号转换为输出信号,并驱动负载工作。在这种应用中,2N5551的基极接收输入信号,而集电极则连接负载。通过调节基极电流和负载电阻,可以实现对负载的驱动控制。
通过以上三个方面的详细阐述,我们可以看出2N5551在电子电路中的重要性和应用价值。它不仅具有优秀的参数特性,还具备广泛的应用领域。无论是在放大、开关还是驱动电路中,2N5551都能发挥出色的作用,为电子设备的正常工作提供了可靠的支持。掌握2N5551的参数与管脚图,并了解其在电子电路中的应用是非常重要的。
免责声明:文章内容来自互联网,本站仅提供信息存储空间服务,真实性请自行鉴别,本站不承担任何责任,如有侵权等情况,请与本站联系删除。