
本文为消防产业智库原创,未经授权禁止转载
消防维保是消防安全的一道重要防线,消防产业转型升级,消防维保也向智能化发展。
建设智慧消防,传统消防迎来新的发展,本期我们来谈谈智慧消防下的消防维保新发展。
1、消防维保
关于消防维保,百度百科上这么定义的:
消防维保是消防系统发挥正常功能的前提保障,依照国家《火灾自动报警系统施工及验收规范》、《自动喷水灭火系统施工及验收规范》、《建筑消防设施检测技术规程》、《消防控制室通用技术要求》等规范,结合甲方的设备实际和管理要求,以使整个维保工作系统化、规范化,使整个系统始终处于良好的运行状态。消防设施维护保养是以“预防为主,防消结合”为宗旨。
从上面的定义,其中两点非常重要:
第一,消防维保是消防行业产业链的重要一环,定期对消防设施进行保养、维护,整个消防系统才能保持良好的运行状态,发挥应用的作用。
第二,消防维保并不是随意为之,有相关的法律、规范,如上文中提到的《火灾自动报警系统施工及验收规范》等。
随着AI技术的发展,智慧城市和智慧消防的建设,消防维保也在行业转型升级中迎来新的发展机遇,由传统的消防维保向智能维保转型。
传统消防维保一般来讲,存在留档难、追溯难,维保人员素质参差不齐,维保合同履职情况管理难等弊端。
智能维保运用信息数据深度挖掘和智能化管理技术,实现维保管理透明化、智能化。
传统消防维保向智能维保转变的过程,其实也是去中心化的一个过程,借助移动互联网、AI技术,让用户、维保公司、管理者都能获得消防维保数据,建立消防寻根系统。
消防维保是消防产业链中必不可少的一环,消防维保公司在整个行业中扮演着重要角色。
在专业性上,由专业人士组成的消防维保公司,拥有维护与保障消防系统的专业知识与技能更加全面,对消防系统进行日常专业维护,及时消除消防隐患。
在职业化方面,维保公司消防服务责权明确,是承担消防单位消防系统日常维保,保证消防系统完备的第一责任人。
2、政策规范
消防维保少不了政策与规范,具体有哪些?
《消防法》明确规定:“按照国家标准、行业标准配置消防设施、器材,设置消防安全标志,并定期组织检验、维修,确保完好有效”。
在新《新消防法》中,基于放管服和消防技术服务机构的定位、服务内容的改变,将“消防设施检测、消防安全监测”改为“消防设施维护保养检测、消防安全评估”。
为引导和规范建筑消防设施的维护管理工作,出台了《建筑消防设施的维护管理 GB25201-2010》,规定了建筑消防设施维护管理的内容、方法和要求。
为规范建筑消防设施的检查和测试工作,制定了《建筑消防设施检测技术规程 XF503-2004》,准规定了检查和测试建筑消防设施的技术要求,并提供了方法。
还有一些地方的消防维保规程与规范,包括:
海南建筑消防设施检测技术规程 DB46/T527-2021山东建筑消防设施检测技术规程 DB37/T242-2021山东建筑消防设施维护保养技术规程 DB37/T4328-2021江苏建筑消防设施维护保养技术规程 T/JFPA0002-2019江苏建筑消防设施检测技术规程 DB32/T186-2015吉林建筑消防设施维护保养规程 DB22/T2880-2018江西建筑消防设施维护保养管理规范 DB36/T1086-2018北京建筑消防设施检测评定规程 DB11/1354-2016广东建筑防火及消防设施检测技术规程 DBJ/T15-110-2015在不同行业和领域,消防维保有特定的检测和维护规程,包括:
城市消防远程监控系统 第7部分:消防设施维护管理软件功能要求 GB/T26875.7-2015通信建筑气体灭火系统用气瓶检测规程 T/CAICI 21-2020水力发电厂消防设施运行维护规程 GB/T36570-2018此外,消防维保收费标准,据公开资料,4个省、市曾发布过相关收费标准。
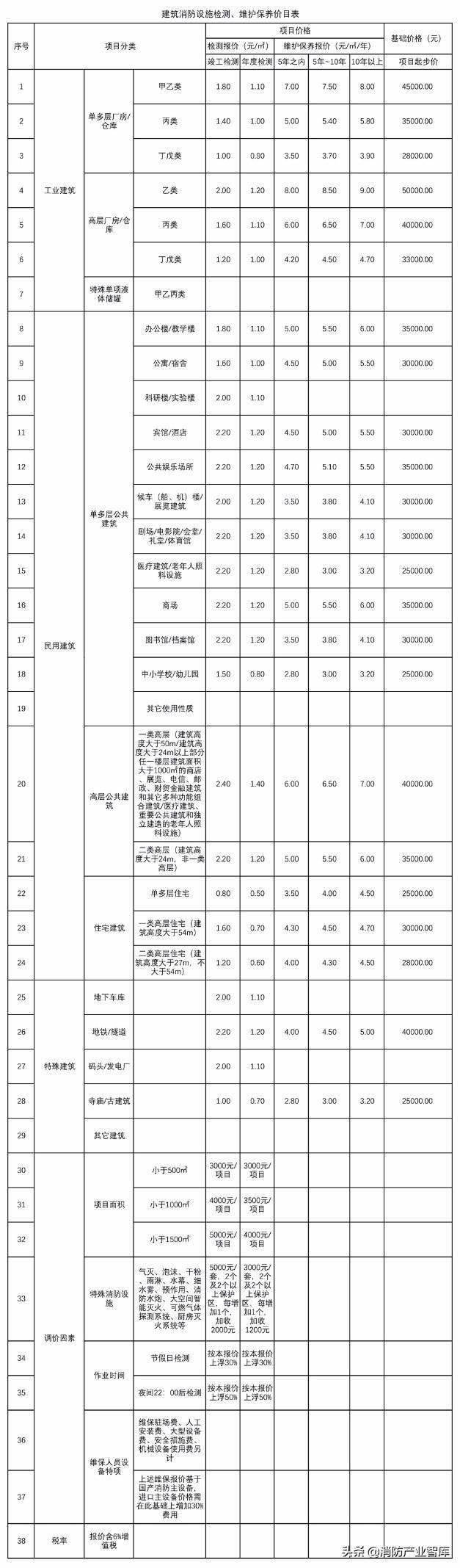
2019年,上海市消防协会公布了建筑消防设施维保检测参考价格:

2016年《河南省消防技术服务机构收费指导意见》中规定,消防设施维保费用=建筑面积*单价*1.0;消防设施检测费=建筑面积*单价*0.7。
2012年《湖南省物价局关于规范消防检测技术服务收费有关问题的通知》中规定:
建筑消防设施检测收费标准:按消防设施投资总造价分档累加计费:100万元及以下的,按1.2%收取,但最低收费额3000元;100万元以上至500(含500)万元部分按1.0%收取;500万元以上至1000(含1000)万元部分按0.8%收取,1000万元以上至2000(含2000)万元部分按0.6 %收取,2000万元以上部分,按0.4%收取,但最高收费额不得突破300000元。
电气防火技术检测收费标准:机关办公楼、学校、医院、养老院等民政福利性建筑及10层(含)以下的普通居民住宅按实际检测的建筑面积每平方米0.35元收取;其他场所按实际检测的建筑面积每平方米0.6元收取;不足300平方米的按300平方米计收;对加油机税控计量器的消防电气检测按每台次320元收取。
2000年,山东省印发《山东省建筑消防设施维修保养收费标准》的通知,规定
建筑消防设施维修保养以年费计收,费用计算公式为M=A+B+C+D+E+F(式中:M=建筑消防设施维修保养总费用;A=火灾自动报警系统维修保养费用;B=自动灭火系统维修保养费用;C=防排烟系统维修保养费用;D=防火卷帘系统维修保养费用;E=消火栓系统维修保养费用;F=消防广播、疏散指示标志维修保养费用)。
单设灭火系统的,维修保养费用按其保护区域计算:单设喷淋灭火系统的,按所保护场所面积,每平方米1元计算;单设气体灭火系统的,按所保护场所空间,每立方米5元计算。
3、市场规模
消防产业转型,建设平安中国宏观环境下,消防维保行业迎来新的发展机遇。
上面我们谈到了消防维保的收费标准,接下来我们来分析消防维保的市场规模。招投标项目最接近市场,消防产业智库整理了近一个月的消防维保招标项目。

【来源:中国政府采购网、采购与招标网等,统计不完全】
从表格数据可以看出,近一个月,共计30个项目,总金额总计约2600万。
从项目金额来看,消防维保项目单个金额并不大,上百万项目较少,10-30万、60万左右两个区间的价格居多。
虽然单个项目金额不是很大,但消防维保基本上是每年1次,发生频率高,市场规模也是相当可观的,未来可期。
从项目内容来看,主要是消防设施的测试和养护、老化消防建筑设施进行维修和改造等。
从行业范围来看,涉及各行各业,医院、学校、税务局、烟草公司等,其中医院、学校项目较多。
建设智慧消防,消防维保内容一般包含在智慧消防运维建设项目之中,前期建设和后期维护成为一个整体,这样的方式正在发展成为主流方式。
比如海康威视、大华股份、青鸟消防、辰安科技等上市公司,在提供持续 运维服务的基础上,与客户保持长期合作关系。
从“维保”到“运维”,消防保养和维护成为智慧消防建设的重要组成部分,建设和维护成为一体,对用户负责。维护不意味着结束,而是新的开始。
免责声明:文章内容来自互联网,本站仅提供信息存储空间服务,真实性请自行鉴别,本站不承担任何责任,如有侵权等情况,请与本站联系删除。