
AMC1311 的说明
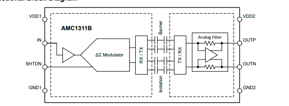
AMC1311 是一款隔离式精密放大器,此放大器的输出与输入电路由抗电磁干扰性能极强的电容隔离层隔开。该隔离栅经认证可提供高达 5kVRMS 的增强型电隔离,符合 DIN EN IEC 60747-17 (VDE 0884-17) 和 UL1577 标准,并且可支持高达 1500VRMS 的工作电压。
该隔离层可将系统中以不同共模电压电平运行的各器件隔开,防止高电压冲击导致低压侧器件电气损坏或对操作员造成伤害。
AMC1311 的高阻抗输入针对与高阻抗电阻分压器或任何其他高阻抗电压信号源的连接进行了优化。出色的直流精度和低温漂支持在闭环系统中进行精确的隔离式电压检测和控制。集成的高侧电源电压缺失检测功能可简化系统级设计和诊断。
AMC1311 提供两种性能级别选项: AMC1311B 的额定工业工作温度范围为 –55°C 至 +125°C, AMC1311 为 –40°C 至 +125°C。
AMC1311 的特性
针对隔离式电压测量优化了 2V 高阻抗输入电压范围固定增益:1低直流误差:失调电压误差:±1.5mV(最大值)温漂±10µV/°C(最大值)增益误差:±0.2%(最大值)增益漂移:±40ppm/°C(最大值)失调电压误差:±9.9mV(最大值)温漂±20µV/°C(典型值)增益误差:±1%(最大值)增益漂移:±30ppm/°C(典型值)AMC1311:AMC1311B:非线性度:0.04%(最大值)高侧 3.3V 工作电压 ( AMC1311B)高 CMTI:100kV/µs(最小值)( AMC1311B)高侧电源缺失指示安全相关认证:针对更大工业温度范围进行了全面优化: –40°C 至 +125°C符合 DIN EN IEC 60747-17 (VDE 0884-17) 标准的 7000VPK 增强型隔离符合 UL1577 标准且长达 1 分钟的 5000VRMS 隔离
如需更详细数据手册、样品测试、采购、BOM配单等需求,请联系客服15811822020微信同号或搜淘宝店铺:深圳市恒耀达电子
规格书参数:
产品种类: 隔离放大器
RoHS:
系列: AMC1311
通道数量: 1 Channel
绝缘电压: 5000 Vrms
隔离类型: Galvanic
3dB带宽: 275 kHz
Ib – 输入偏流: 15 nA
Vos – 输入偏置电压 : 1.5 mV
电源电压-最大: 5.5 V
电源电压-最小: 3 V
工作电源电流: 7.1 mA
最小工作温度: – 55 C
最大工作温度: + 125 C
安装风格: SMD/SMT
封装 / 箱体: SOIC-8
放大器类型: Precision Isolated Amplifier
增益误差: 0.04 %
湿度敏感性: Yes
每个通道的输出电流: 13 mA
Pd-功率耗散: 56.16 mW
产品: Isolation Amplifiers
产品类型: Isolation Amplifiers
PSRR – 电源抑制比: – 65 dB
关闭: Shutdown
工厂包装数量:1000
子类别: Amplifier ICs
Vcm – 共模电压: 1.44 V
单位重量: 318 mg
引脚图:

引脚图:

免责声明:文章内容来自互联网,版权归原作者所有,本站仅提供信息存储空间服务,真实性请自行鉴别,本站不承担任何责任,如有侵权等情况,请与本站联系删除。
转载请注明出处:AMC1311BDWVR隔离放大器原装现货PDF数据手册规格书支持在线交易 https://www.7ca.cn/zsbk/zt/54481.html