低压电器:
定义:
电器:凡是能对电路进行切换、控制、保护、检测、变换和调节的元件。
高压电器:指额定电压为3000V及以上的电器。
低压电器:指工作在交流电压1200V、直流1500V及以下电器。
分类:
低压配电电器:用于供电,如刀开关、断路器等;
低压控制电器:用于控制,如接触器、继电器、控制器等;
低压主令电器:用于发送控制指令,如按钮、主令开关、行程开关和万能转换开关等;
低压保护电器:用于安全保护,如熔断器、热继电器、电压继电器、电流继电器等。
低压执行电器:用于执行和传动功能的电路,如电磁铁、电磁离合器等。
基本结构:
1)电磁机构
组成:吸引线圈、铁芯和衔铁组成。
衔铁的运动方式:直动式和拍合式。
吸引线圈作用:将电能转换为磁能,衔铁在电磁吸力作用下使铁芯吸合。
电压线圈:并联在电路中,匝数多、导线细。R大
电流线圈:串联在电路中,匝数少、导线粗。R小
交流线圈:短而粗,有骨架。
直流线圈:细而长,无骨架。


电磁继电器
2)触头系统
触头用来接通和分断被控制电路。
(1)触头接触形式:点接触、线接触和面接触。
(2)触头材料:镀银,嵌银。
(3)灭弧:
①机械灭弧法:利用弹性力、迅速拉长电弧;
②缝灭弧法:分割电弧,并有冷却作用。如:纵缝陶土灭弧罩;
③栅片灭弧法:金属栅片分割电弧;
④磁吹灭弧法:电磁吸力的作用下迅速拉长电弧使用于熄灭直流电弧。
低压配电电器:
1.闸刀开关:
用途:隔离电源用,不频繁地手动接通、断开电路和隔离电源。
结构:触刀、触头插座、绝缘电板、操纵手柄。
类型:带熔断器、带灭弧装置、铁壳负荷开关、胶盖开关等。
分类:单.双.三极。符号:QS。
安装:安装时,手柄向上;接线:上进下出。


2.组合开关:
用途:隔离电源用,也可控制不频繁起停的的异步电动机;
结构:动、静触片、方形转轴、手柄、定位机构、外壳。
符号:QS。

3.低压断路器
低压断路器又称自动空气开关或自动空气断路器,简称自动开关。
用途:电源隔离.欠压.失压.过载.短路保护。
结构:过电流脱扣器-短路或严重过载;
热脱扣器-一般过载(双金属片);
失压脱扣器-失压保护;
分励脱扣器-远距离分断电路。
图形符号:QF。

工作原理:正常工作时,电磁脱扣器中线圈所产生的吸力不能将它的衔铁吸合。如果线路发生短路和产生较大过电流时,电磁脱扣器中线圈所产生的吸力增大,将衔铁吸合,并撞击杠杆,把搭钩顶上去,在弹簧的作用下切断主触头,实现了短路保护。如果线路上电压下降或失去电压时,欠电压脱扣器的吸力减小或失去吸力,衔铁被弹簧拉开,撞击杠杆,把搭钩顶开,切断主触头,实现了过载保护。



低压主令电器:
1.按钮:
用途:手动能自动复位的开关,通常用来通断小电流控制电路。
结构:按钮帽、复位弹簧、触点、外壳。
分类:指示灯式、旋钮式、紧急式。
选用:触点数、使用场合、颜色。
符号:SB。
注意:横画时遵循“左倒”原则;(复合按钮)先断后合。


2.转换开关
用途:多档多回路,同时控制多个回路。
结构:操作装置、定位装置、触头。
文字符号:SA。
符号:虚线——档位;
圆点——其上面触点闭合;
未画——其上面触点断开。

3.行程开关
用途:根据运动部件的位置而切换电路控制运动部件的位置、方向、行程大小。
结构:直动式、滚轮式、微动式。
工作原理:当运动机构的挡铁压到位置开关的滚轮上时,转动杠杆连同转轴一起转动,凸轮撞动撞块使得常闭触点断开,常开触点闭合;挡铁移开后,复位弹簧使其复位。
符号:SQ。


4.接近开关
用途:无触点开关。
分类:高频振荡型、电容型、感应电桥型、永久磁铁型、霍尔效应型、光电式。
符号:SQ。


低压控制电器:
1.接触器
用途:频繁的通断带有负载的主电路或大容量控制电路,并可远距离控制。
分类:交流、直流。
构成:电磁系统、触头系统、灭弧装置、其他等
工作原理:线圈得电→衔铁吸合→常闭断、常开合。
特点:远距离遥控;扩大控制范围-三相控制.辅助触点;小信号控制大功率;具有零压保护功能。
选择:主触点的UN、IN;辅助触点的数量、种类;线圈电压等级;操作频率。
符号:KM——线圈、常开触点、常闭触点。


2.中间继电器
作用:信号的中间传递与转换。
特点:触点数多、容量大、动作灵敏。
符号:KA。

3.时间继电器
作用:可实现延时通断电路。
分类:电磁式、空气阻尼式、电动式、晶体管式。
空气阻尼式:利用空气阻尼作用实现延时。
结构:电磁系统.触头系统.延时机构。
分类:通电延时型、断电延时型。
符号:KT。


4.速度继电器
作用:用作笼式三相异步电机的反接制动控制。
结构:定子、转子(与电机相连)、触点。
符号:KS。
工作原理:电机-转子(永久磁铁)旋转-旋转磁场对定子产生力矩-定子-摆锤推动动触点-常闭开、常开合;电机转速↓-定子摆角↓-动触点复位。
动作转速:n>120r/min。
复位转速:n<100r/min。


5.压力继电器

低压保护器:
1.熔断器
用途:发生短路或严重过载时,能迅速自动熔断而切断电路的保护电器;
构成:熔体(合金:低熔点,导电好)、熔管或熔座。
原理:正常工作-T熔体<T熔断。
严重过载或短路-T熔体>T熔断-熔断,切断电路。
分类:螺旋式、瓷插式、密封管式。
选用:IN熔断器≥IN熔体≥IN负载。
熔体额定电流选择:
无冲击负载线路:(照明电路),IFU≥I线路N;
冲击电流负载线路:(如电动机电路),IFU>(1.5-2.5)I负载N;
频繁启动单台电动机:IFU>(3-3.5)I负载N;
多电机电路:IFU≥(1.5-2.5)INMAX+∑IN;
符号表示:FU。


2.热继电器
作用:电流热效应,长期过载时自动断开电路。
符号:FR。
工作原理:电机处于一般长期过载,I↑,热元件产生热量↑,双金属片受热膨胀弯曲↑,扣板脱扣,常闭触点断开,保护电路及负载:按下复位按钮,则复位。
注意:由于热惯性,当电路断路时不能立即断开电路,因此不能作为断路保护。同理,在电动机起动或过载时,热继电器也不会动作,这可避免电动机不必要的停转。



3.电流继电器
作用:根据电路电流实现控制,线圈串接于被测电路中。
特点:匝数少、导线粗、小阻抗。
分类:欠电流继电器、过电流继电器。
符号:KI。



4.电压继电器
作用:根据电路电压实现控制,线圈并联于被测电路。
特点:匝数多、导线细、阻抗大。
分类:欠电压继电器、过电压继电器。
符号:KV。

低压执行器:
1.电磁铁


2.电磁离合器

接线端子:

应用案例:

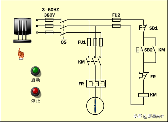
电动机接触器起、停控制方式的演示:



本文来源于互联网,暖通南社整理编辑。
免责声明:文章内容来自互联网,版权归原作者所有,本站仅提供信息存储空间服务,真实性请自行鉴别,本站不承担任何责任,如有侵权等情况,请与本站联系删除。
转载请注明出处:常用元器件原理及接线方法-常用元器件原理及接线方法图解 https://www.7ca.cn/zsbk/zt/7780.html