今天这一篇主要详细介绍高压隔离开关、高压负荷开关、高压断路器的各种型号,主要用途,以及之间的区别。
一、高压隔离开关
高压隔离开关用途:
1、隔离电源
在电气设备停电或检修时,用隔离开关将需停电设备与电流隔离,形成明显可见的断开点,以保证工作人员和设备安全。
2、分、合小电流(有压无载)
(1)拉、合电压互感器与避雷器回路。
(2)拉、合空母线和直接与母线相连接设备的电容电流。
3、倒闸操作
运行、备用、检修时用来配合断路器协同完成倒闸操作。
高压隔离开关型号
高压隔离开关型号
高压隔离开关结构





开关由底座、棒式支柱绝缘子、导电闸刀、左右触头和传动部分等组成,也称为V型隔离开关。根据需要该隔离开关可配装接地闸刀,广泛用于35~110kV电压等级中。
GW5 系列双柱水平开启式隔离开关 现场运行示意图
二、高压负荷开关
高压负荷开关的作用
1、分合负荷电流
负荷开关具有简易的灭弧装置,因而可分、合负荷开关本身额定电流之内的负荷电流。它可用来分、合一定容量的变压器、电容器组,一定容量的配电线路。
2、隔离高压电源
负荷开关在断开位置时,像隔离开关一样有明显的断开点,因此可起电气隔离作用。对于停电的设备或线路提供可靠停电的必要条件。
3、替代作用
配有高压熔断器的负荷开关,可作为断流能力有限的断路器使用。这时负荷开关本身用于分、合正常情况下的负荷电流,高压熔断器则用来切断短路故障电流。
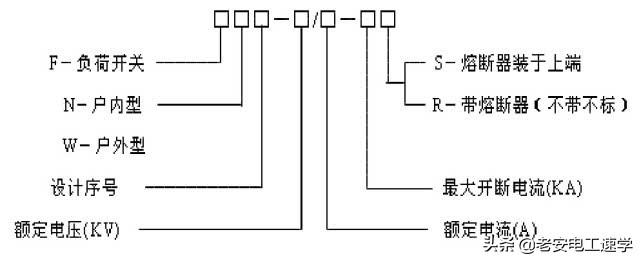
高压负荷开关型号
从使用环境上分,有户内式、户外式;
从灭弧形式和灭弧介质上分,有油、压气式、产气式、真空式、SF6式等;


产 气 式 负 荷 开 关 的 灭 弧 室 有 管 式 和 板 式 两 种 结 构 。


SF6式负荷开关
使用SF6(六氟化硫)气体作为绝缘和灭弧介质的负荷开关称为SF6负荷开关,它可以作为关合和开断负载电流及过载电流用,亦可以作为关合和开断空载线路、空载变压器及电容器组等。与熔断器串联使用能断开短路电流,灭弧能力强,适用于大型商场、工矿企业,城市居民小区配电、开闭所、机场、地铁、体育场、医院、小型二次变电站等场所。



SF6式负荷开关优点:
(1)集合闸、分闸、接地功能于一体封装在充满SF6气体的环氧树脂壳体内,三位置互锁,机 构紧凑。
(2)安全可靠性高。
(3)带无电源的继电保护装置,弥补了熔断器在变压器过流部分无保护的缺陷。
(4)体积小、重量轻、维护简便、操作方便安全。
三、高压断路器
高压断路器是高压电器中最重要的设备,是一次电力系统中控制和保护电路的关键设备。它在电网中的作用有两方面:
1、控制作用,即根据电力系统的运行要求,接通或断开工作电路;
2、保护作用,当系统中发生故障时,在继电保护装置的作用下,断路器自动断开故障部分,以保证系统中无故障部分的正常运行。
高压断路器分类:
1.按安装地点分类
高压断路器按安装地点可分为户内式和户外式两种。
2.按所采用的灭弧介质分类
(1)油断路器(多油断路器和少油断路器),采用 绝缘油 作为灭弧介质的断路器 。
(2)压缩空气断路器,采用 压缩空气 作为灭弧介质及操作机构能源的断路器。
(3)真空断路器,在真空中开断电流,利用 真空 的高绝缘强度来实现灭弧的断路器 。
(4)SF6断路器,采用具有优良灭弧性能的 SF6 气体 作为灭弧介质的断路器。

高压断路器基本结构
高压断路器内部结构图

高压断路器型号
①—产品字母代号,用下列字母表示:S—少油断路器;D—多油断路器;K—空气断路器;L—六氟化硫断路器;Z—真空断路器;Q—产气断路器;C—磁吹断路器。
②—装置地点代号;N—户内,W—户外。
③—设计系列顺序号;以数字1、2、3……表示。
④—额定电压,KV。
⑤—其它补充工作特性标志,G—改进型,F—分相操作。
⑥—额定电流,A。
⑦—额定开断电流,KA。
例如:ZN28-12/1250-25,表示户内式真空断路器,设计序号为28,最高工作电压12kV,额定电流为1250A,额定开断电流为25kA。
操作循环是高压断路器操作性能的指标,其有两种形式:
自动重合闸操作循环:
分——θ——合分——t——合分
非自动重合闸操作循环:
分——t——合分——t——合分
分——分闸操作;
合分——合闸后立即分闸的动作;
θ——无电流间隔时间,标准值为0.3s或0.5s;
t——强送电时间,标准时间为180s。
架空线路的短路故障大多是暂时性的,短路电流切断后,故障即迅速消失。因此,为了提高供电的可靠性和系统运行的稳定性,断路器应能承受一次或两次以上的关合、开断、或关合后立即开断的动作能力。此种按一定时间间隔进行多次分、合的操作称为操作循环。
高压隔离开关,高压负荷开关,高压断路器的区别:
1、高压负荷开关是可以带负荷分断的,有自灭弧功能,必须和熔断器串联使用。
2、高压隔离开关一般是不能能带负荷分断的,结构上没有灭弧罩,也有能分断低负荷的隔离开关,只是结构上与负荷开关不同,相对来说简单一些。
3、高压负荷开关和高压隔离开关,都可以形成明显断开点。
4、高压隔离开关不具备保护功能,高压负荷开关的保护一般是加熔断器保护,只有速断和过流 。
5、高压断路器的开断容量可以在制造过程中做的很高。主要是依靠加电流互感器配合二次设备来保护。可具有短路保护、过载保护、漏电保护等功能。
关注老安电工速学,分享更多电工知识!
免责声明:文章内容来自互联网,版权归原作者所有,本站仅提供信息存储空间服务,真实性请自行鉴别,本站不承担任何责任,如有侵权等情况,请与本站联系删除。
转载请注明出处:高压隔离开关、高压负荷开关、高压断路器的型号,结构,以及区别-高压断路器,高压隔离开关和高压负荷开关各有那些功能 https://www.7ca.cn/zsbk/zt/7823.html