脉冲信号的产生与整形1(555)
1. 写在前面
在数字技术的各种应用中,经常要用到矩形波、方波、锯齿波等脉冲波形,其中矩形波和方波是较重要的波形。
本文介绍555集成计时器。
本文是后面介绍施密特触发电路、单稳态触发电路和多谐振荡器的基础。
施密特触发器能对已有信号进行变换;
单稳态触发器可用于脉冲信号的定时、延时;
多谐振荡器能直接产生脉冲信号。
2. 555集成定时器
①简介

555集成定时器是一种将模拟和数字电路集成于一体的电子器件,通过外加少量的阻容元件,能构成多种用途的电路。
555集成定时器的型号较多,但所有双极型产品型号后的3位数字都是555,CMOS产品型号最后的4位数字都是7555。而且,它们的功能和外部引脚的排列完全相同。
为了提高集成度,随后又生产了双定时器产品556(双极型)和7556(CMOS型)。
②555集成定时器的引脚图

1脚GND:接地端。
8脚Vcc:电源端,通常双极型555定时器的电源电压范围是5~16V;而CMOS型7555定时器的电源电压范围是3~18V。
5脚CO:参考电压输入端,在这个引脚加入一定的电压,可以改变定时器的触发电平。如果不需要外接参考电压,那么这个引脚应通过一个0.01μF的电容接地,以避免高频噪声的干扰。
4脚/RD:复位端,又叫清零端。这是一个低电平有效的控制端。当这个端口接低电平时,可以使定时器的输出为0。在正常工作情况下,这个引脚应该接高电平。
6脚TH:高电平触发端
2脚/TR:低电平触发端
3脚OUT:输出端
7脚D:放电输出端。当这个引脚外接上拉电阻和电源后,可以得到和3脚输出逻辑一致的信号。
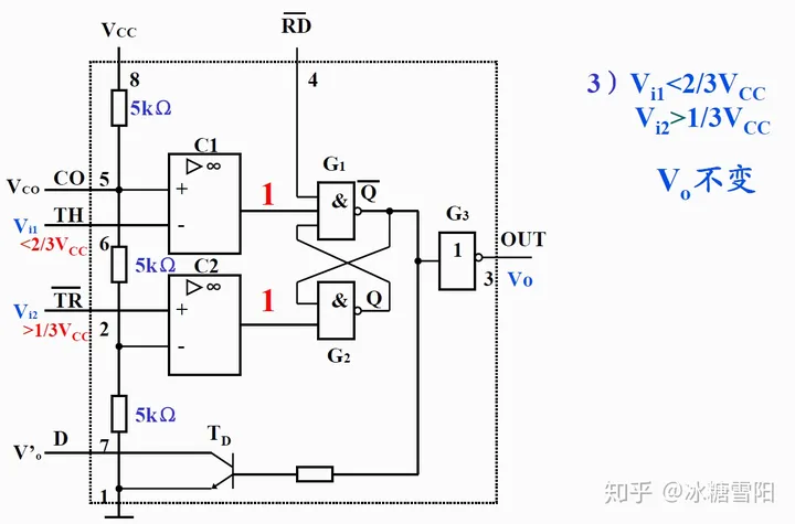
③555定时器内部电路结构

555定时器主要由5个部分组成。
第一个组成部分称为分压器,它是由3个阻值均为5kΩ的电阻串联构成的。这三个电阻经过分压后,为后级电路提供参考电压。如果定时器的5脚,也就是参考电压输入CO端,没有外接控制电压时。分压器将分别分得1/3、2/3的电源电压。
第二个组成部分称为比较器。Comparator1(C1)和Comparator2(C2)是两个结构完全相同的,高精度电压比较器,分别由高增益运算放大器构成。这两个运放工作在开环状态下,CO端无外接参考电压时,两个比较器的输入端分别与2/3、1/3的电源电压进行比较;CO端有外接参考电压时,两个比较器的输入端分别与Vco、(1/2)Vco进行比较。
第三个组成部分为RS锁存器。它是由两个与非门G1和G2构成的RS锁存器,低电平进行触发。只要4脚/RD端为低电平时,则与非门G1的输出/Q就为1,再通过非门G3,则定时器的3脚OUT的输出就为0。这就是把定时器的4脚称为复位端的原因。
第四个组成部分为三极管放电开关。外接上拉电阻和电源后,三极管的状态是受RS锁存器的输出/Q端控制的,当锁存器的/Q为0时,三极管截止,定时器的7脚D输出逻辑1,具体的电压值是由外接的电源电压决定的。当锁存器的/Q为1时,三极管饱和导通,定时器的7脚D输出逻辑0,具体电压是三极管的饱和压降Vce,一般是在0.1V~0.3V。由此可见,定时器7脚的逻辑状态是和3脚输出端相同的。所以7脚放电端可以作为集电极开路输出,以改变输出逻辑1的具体电压值。
第五个组成部分为输出缓冲器。由反相器G3构成,其作用是提高定时器的带负载能力,并隔离负载对定时器的影响。
3. 555定时器的逻辑功能
下表是555定时器的功能表。

详细说明可参考以下3张图片。



4. 自测题
1.

(两个双极型)
2.

(低电平)
3.

(错误)
4.

(正确)
5.参考资料
[1]数字逻辑电路-南京理工大学
免责声明:文章内容来自互联网,版权归原作者所有,本站仅提供信息存储空间服务,真实性请自行鉴别,本站不承担任何责任,如有侵权等情况,请与本站联系删除。
转载请注明出处:脉冲信号的产生与整形1(555)-脉冲信号产生原理 https://www.7ca.cn/zsbk/zt/7839.html