电阻
一、电阻,一般用符号R表示 ;无正负极之分。 二、定义:物质对电流的阻碍作用就叫该物质的电阻。 三、作用:通常电阻常在电路上起限流.分压的作用。 四、参数:
1、单位:
电阻的单位为欧姆(Ω),倍率单位有:千欧(K Ω),兆欧(MΩ)等;
换算单位换算是:1000 欧=1K 1000K=1M 。
2、阻值: 常用三位或四位数字表示阻值的大小;
a、三位数字:
前两位是有效数值,第三位是有效数值后面 0 的个数。如:
223 表示 22×1000Ω(即 22K); 104 则表示 10×1000Ω(既 100K 2R2 则表示 2.2Ω)
b、四位数字:
前三位是有效数值,第四位是有效数值后面 0 的个数。如:
1333 表示 133×1000Ω(即 133K) 2R49 表示 2.49Ω
3、误差值:
常用 D 表示为±0.5% F 表示为± 1% J 表示为± 5%
K 表示为±10% M 表示为±20%
4、外观: 贴片电阻一般为表面黑色,底面为白色。

电阻
.五:特殊电阻(压敏电阻)
1、定义:在一定电流电压范围内电阻值随电压而变。 压敏电阻是一种无极性过电压保护元件,无论是交流电路或 直流电路,只需将压敏电阻器与被保护电器设备或元器件并联即 可达到保护设备的目的。压敏电阻的缺点是易老化和电容较高,
老化是指压敏电阻内的二极管元件被击穿。
2、压敏电阻用字母“MY”表示 3、作用:常用于过压保护(ESD),压敏电阻可使设备及元 器件免遭过
1/20W
1/16W 1/10W
电阻
电压的冲击。一般常用在我司的按键开关、USB 座、耳机座 电路。
4、参数:
a、标称电压(V):
b、最大限制电压(V): c、漏电流(mA) d、静态电容量(PF):

电容(capacitance)
一、电容,一般用符号 C 表示 .图“ ”。 二、定义:是在给定电位差下的电荷储藏量。(由两个金属极中 间夹有绝缘材料(介质)的构成。 三、特性:通交流隔直流,通低频阻高频。 四、作用:(常见电路使用的电容)
1. 耦合电容:用在耦合电路中的电容称为耦合电容,在阻容耦合放大器 和其他电容耦合电路中大量使用这种电容电路,起隔直流通交流作用。
2. 滤波电容:用在滤波电路中的电容器称为滤波电容,在电源滤波和各种 滤波器电路中使用这种电容电路,滤波电容将一定频段内的信号从总信号 中去除。
3. 退耦电容:用在退耦电路中的电容器称为退耦电容,在多级放大器的 直流电压供给电路中使用这种电容电路,退耦电容消除每级放大器之间的 有害低频交连。
4. 旁路电容:用在旁路电路中的电容器称为旁路电容,电路中如果需要从 信号中去掉某一频段的信号,可以使用旁路电容电路,根据所去掉信号频 率不同,有全频域(所有交流信号)旁路电容电路和高频旁路电容电路。 5. 负载电容:是指与石英晶体谐振器一起决定负载谐振频率约有效外界电 容。负载电容常用的标准值有 16pF、2OpF、3OpF、5OpF 和 1OOpF。负载 电容可以根据具体情况作适当的调整,通过调整一般可以将谐振器的工作 频率调到标称值。
6. 加速电容:利用电容可使电流超前电压 90 度的原理,常应用于取样参 考电路。
五、参数:
1、单位:
1 微法(μF)= 1000 纳法(nF)= 1000000 皮法(pF)。 2、贴片电容容值:
常用三位表示阻值的大小;三位数字: 前两位是有效数值,第三位是有效数值后面
电容的单位为法拉(F),常用的电容单位有:毫法(mF)、微法(μF)、纳法(nF) 和皮法(pF)(皮法又称微微法)等,换算关系是:
1 法拉(F)= 1000 毫法(mF)=1000000 微法(μF)
电容(capacitance)
0 的个数。如:
101 表示 10×10PF(即 100PF); 102 表示 10×100PF(既 1NF)
103 表示 10×1000PF (既 10NF) 104 表示 10×10000PF(既 100NF) 105 表示 10×100000PF(既 1UF)
3、误差值:
常用 D 表示为±0.5% F 表示为± 1% J 表示为± 5%
K 表示为±10% M 表示为±20%
4、耐压值:
常见有: 6.3V,10V,16V,25V,50V,100V…..
六、电容的分类:
1、陶瓷电容(无极性) 目前在便携产品中广泛应用的片式多层陶瓷电容器(MLCC)材料根据温度特性。

A、NPO 的特性及主要用途
NPO 电容器是电容量和介质损耗最稳定的电容器之一.这个材料性能最好, 电容稳定可靠,但容量比较小。适用于高可靠、高稳定的高额、特高频场合。
特性:
电容(capacitance) 电容范围 1pF~0.1uF (1±0.2V rms 1MHz)
环境温度: -55°C~+125°C 电容容量变化范围为±0.1%。
B、X7R 的特性及主要用途
电气性能较稳定,随时间、温度、电压的变化,其特性变化不明显,适用于要求 较高的耦合、旁路、源波电路以及 10 兆周以下的频率场合。
特性:
电容范围 300pF~0.33uF (1.0±0.2V rms 1KHz)
环境温度: -55°C~+125°C 电容容量变化范围为±15%。
C、X5R 的特性及主要用途
环境温度: -55°C~+85°C 电容容量变化范围为±15%。
D、Y5P 与 Y5V 的特性及主要用途
温度范围比较宽,随着温度变化,具有很高的介电系数,能较容易做到小体积, 大容量,其容量随温度变化比较明显,但成本较低。广泛应用于对容量,损耗要 求不高的场合。
环境温度: -55°C~+85°C 电容容量变化范围为±22%~-82%
以上从性能上讲 NPO > X7R > X5R > Y5V

这个材料容量可以做大,电容稳定性还可以,适合做大容量电容,。适用于要求 不高的耦合、旁路、源波电路。
电容
2、电解电容:
电解电容:有两种(固态电容和液态电容) 铝电解电容(液态电容):(右图) 电解电容是电容的一种,介质有电解液,涂层有极 性,分正负,不可接错。
其阳极(正极)应与电源电压的正极端相连接, 阴极(负极)与电源电压的负极端相连接,不能接 反,否则会损坏电容器。


缺点:介质损耗、容量误差较大(最大允许偏差为+100%、-20%), 耐高温性较差,存放时间长容易失效。
符号:(CD)
电容量:0.47–10000μ 额定电压:6.3–450V
电容
3、铝电解电容(固态电容):
固态电容全称为:固态铝质电解电 容。它与普通电容(即液态铝质电解电容) 最大差别在于采用了不同的介电材料. 固 态电容的介电材料则为导电性高分子。

主要特点:
固态电容具备环保、低阻抗、高低 温稳定、耐高纹波及高信赖度等优越特 性. 固态电容耐温达摄氏 260 度,且导 电性、频率特性及寿命均佳,适用于低 电压、高电流的应用.
极性:旁边有一横的表示负极.

电容
4、钽电容(钽电解电容)
符号:(CA)
电容量:0.1–1000μ 额定电压: 6.3–125V
主要特点:
损耗、漏电小于铝电解电容 应用:在 要求高的电路中代替铝电解电容
极性:旁边有一横的表示正极.

封装:常用有如下几种
A 型的尺寸 3.2×1.6×1.6mm(3216) B 型的尺寸 3.5×2.8×1.9mm(3528) C 型的尺寸 6.0×3.2×2.6mm(6032) D 型的尺寸 7.3×4.3×2.9mm(7343) E 型的尺寸 7.3×4.3×4.1mm(7343) V 型的尺寸 7.3×6.1×3.45mm(7361)


电感
一、电感. 一般用符号 L 表示
二、定义:电压除以电流对时间的导数之商。
电感是指线圈在磁场中活动时,所能感应到的电流的强度,单位是“亨利” (H=1000mH=1000000uH)。也指利用此性质制成的元件。
三、制成:电感器(电感线圈)和变压器均是用绝缘导线(例如漆包线、 纱包线等)绕制而成的电磁感应元件,也是电子电路中常用的元器件之一,
相关产品如共模滤波器等。 四、特性:通直流隔交流,通高频阻低频。
电感器和电容器一样,也是一种储能元件,它能把电能转变为磁 场能,并在磁场中储存能量。
自感
当线圈中有电流通过时,线圈的周围就会产生磁场。当线圈中电流发 生变化时,其周围的磁场也产生相应的变化,此变化的磁场可使线圈自身 产生感应电动势(电动势用以表示有源元件理想电源的端电压),这就是 自感。
互感
两个电感线圈相互靠近时,一个电感线圈的磁场变化将影响另一个电 感线圈,这种影响就是互感。互感的大小取决于电感线圈的自感与两个电 感线圈耦合的程度。
当交流电通过电感线圈的电路时,电路中产生自感电动势,阻碍电流 的改变,形成了感抗。自感系数越大则自感电动势也越大,感抗也就越大。 如果交流电频率大则电流的变化率也大,那么自感电动势也必然大,所以 感抗也随交流电的频率增大而增大。交流电中的感抗和交流电的频率、电 感线圈的自感系数成正比。在实际应用中,电感是起着“阻交、通直”的作用, 因而在交流电路中常应用感抗的特性来旁通低频及直流电,阻止高频交流 电。
五、作用:(常见电路使用的电容)
电感在电子电路中起 谐振、耦合、延迟、滤波、陷波扼流抗干扰等作用。
电感
五、主要参数:
A、单位:
电感器上标注的电感量的大小.表示线圈本身固有特性,主要取决于线圈的圈 数,结构及绕制方法等,与电流大小无关,反映电感线圈存储磁场能的能力,也反映 电感器通过变化电流时产生感应电动势的能力.单位为亨(H).
单位有亨利(H)、毫亨利 (mH)、微亨利(uH),1H=10^3mH=10^6uH。
电感线圈对交流电流阻碍作用的大小称感抗 XL,单位是欧姆.它与电感量 L 和 交流电频率。
感抗:XL = ωL = 2πfL
XL就是感抗,单位为欧姆 ,ω 是角速度,单位为弧度/秒,f 是频
率,单位为赫兹 ,L 是线圈电感,单位为亨利。 D、品质因素 Q :
表示线圈质量的一个物理量,Q 为感抗 XL 与其等效的电阻的比值,即:Q=XL/R. 线圈的 Q 值愈高,回路的损耗愈小.线圈的 Q 值与导线的直流电阻,骨架的介质损 耗,屏蔽罩或铁芯引起的损耗,高频趋肤效应的影响等因素有关.线圈的 Q 值通常 为几十到一百.
B、允许误差: 电感的实际电感量相对于标称值的最大允许偏差范围称为允许误差.
C、感抗 XL:
电感器的 Q 值越高,其损耗越小,效率越高。 E、额定电流: 额定电流是指能保证电路正常工作的工作电流. F、标称电压
G、分布电容(寄生电容)
电感(INDUCTORS) 功率电感:
功率电感是分带磁罩和不带磁罩两种,主要由磁芯和铜线组成。 常用于电路中的 DC-DC 降(升)压电路.
感值标识:

绕线、薄膜、叠层电感:
4.7uH
HH0015NEE000402 表示为 15nH +/-5% _0402
磁珠
一、作用:磁珠专用于抑制信号线、电源线上的高频噪声和尖峰干扰,还 具有吸收静电脉冲的能力(数字电路中,由于脉冲信号含有频率很高的高次 谐波)。磁珠有很高的电阻率和磁导率,等效于电阻和电感串联,但电阻值和电 感值都随频率变化。
二、单位:磁珠对高频信号才有较大阻碍作用,一般规格有 100 欧 /100mMHZ ,它在低频时电阻比电感小得多。以常用于电源滤波的 HH-1H3216-500 为例,其型号各字段含义依次为:
HH 是其一个系列,主要用于电源滤波,用于信号线是 HB 系列; 1 表示一个组件封装了一个磁珠,若为 4 则是并排封装四个的; H 表示组成物质,H、C、M 为中频应用(50-200MHz),
T 低频应用(50MHz),S 高频应用(200MHz);
3216 封装尺寸,长 3.2mm,宽 1.6mm,即 1206 封装;
500 阻抗(一般为 100MHz 时),50 ohm。
注意:磁珠的单位是欧姆,而不是亨特,这一点要特别注意。因为磁 珠的单位是按照它在某一频率 产生的阻抗来标称的,阻抗的单位也是欧 姆。
3、额定电流 Rated Current (mA): 2500.
三、主要参数:
1、阻抗[Z]@100MHz (ohm) : 2、直流电阻 DC Resistance (m ohm):
电感和磁珠的区别:电感是储存能量,磁珠是消耗能量。

二极管(Diode)
一、基本概念:
晶体二极管为一个由 p 型半导体和 n 型半导体形成的 p-n 结,在其界面 处两侧形成空间电荷层,并建有自建电场。当不存在外加电压时,由于 p-n 结两边载流子浓度差引起的扩散电流和自建电场引起的漂移电流相等而处 于电平衡状态。

当外界有正向电压偏置时,外界电场和自建电场的互相抑消作用使载 流子的扩散电流增加引起了正向电流。当外界有反向电压偏置时,外界电 场和自建电场进一步加强,形成在一定反向电压范围内与反向偏置电压值 无关的反向饱和电流 0。当外加的反向电压高到一定程度时,p-n 结空间电 荷层中的电场强度达到临界值产生载流子的倍增过程,产生大量电子空穴 对,产生了数值很大的反向击穿电流,称为二极管的击穿现象。p-n 结的反 向击穿有齐纳击穿和雪崩击穿之分。

二、二极管的符号
二极管(Diode)
在电子电路中,将二极管 的正极接在高电位端,负极接 在低电位端,二极管就会导 通,这种连接方式,称为正向 偏置。必须说明,当加在二极 管两端的正向电压很小时,二 极管仍然不能导通,流过二极 管的正向电流十分微弱。只有 当正向电压达到某一数值(这 一数值称为“门坎电压”,又 称“死区电压”,锗管约为 0.1V,硅管约为 0.5V)以后, 二极管才能直正导通。导通后 二极管两端的电压基本上保
在电子电路中,二极管的 正极接在低电位端,负极接在 高电位端,此时二极管中几乎 没有电流流过,此时二极管处 于截止状态,这种连接方式, 称为反向偏置。二极管处于反 向偏置时,仍然会有微弱的反 向电流流过二极管,称为漏电 流。当二极管两端的反向电压 增大到某一数值,反向电流会 急剧增大,二极管将失去单方 向导电特性,这种状态称为二 极管的击穿。
三、二极管的导电特性:
二极管最重要的特性就是单方向导电性。在电路中,电流只能从二极 管的正极流入,负极流出。下面通过简单的实验说明二极管的正向特性和 反向特性。
正向特性
持不变(锗管约为 0.3V,硅管约为 0.7V),称为二极管的“正向压降”。
反向特性
二极管
四、二极管的类型:
A、普通整流二极管
一种将交流电能转变为直流电能的半导体器件。 整流二极管可用半导体锗或硅等材料制造。硅整流二极管的击穿电压高,反向漏电流 小,高温性能良好。通常高压大功率整流二极管都用高纯单晶硅制造(掺杂较多时容 易反向击穿)。这种器件的结面积较大,能通过较大电流(可达上千安),但工作频 率不高,一般在几十千赫以下。整流二极管主要用于各种低频半波整流电路,如需达 到全波整流需连成整流桥使用。主要应考虑其最大整流电流、最大反向工作电流、截 止频率及反向恢复时间等参数。

(1)最大平均整流电流 IF:指二极管长期工作时允许通过的最大正向平均 电流。该电流由 PN 结的结面积和散热条件决定。使用时应注意通过二极管 的平均电流不能大于此值,并要满足散热条件。例如 1N4000 系列二极管的 IF为1A。
(2)最高反向工作电压VR:指二极管两端允许施加的最大反向电压。 若大于此值,则反向电流(IR)剧增,二极管的单向导电性被破坏,从而引 起反向击穿。通常取反向击穿电压(VB)的一半作为(VR)。例如 1N4001 的VR 为 50V,1N4007 的VR为 1OOOV
(3)最大反向漏电流 IR:它是二极管在最高反向工作电压下允许流过 的反向电流,此参数反映了二极管单向导电性能的好坏。因此这个电流值 越小,表明二极管质量越好。
(4)击穿电压VR:指二极管反向伏安特性曲线急剧弯曲点的电压值。 反向为软特性时,则指给定反向漏电流条件下的电压值。
(5)最高工作频率 fm:它是二极管在正常情况下的最高工作频率。主 要由 PN 结的结电容及扩散电容决定,若工作频率超过 fm,则二极管的单向 导电性能将不能很好地体现。例如 1N4000 系列二极管的 fm 为 3kHz。
(6)反向恢复时间 tre:指在规定的负载、正向电流及最大反向瞬态 电压下的反向恢复时间。
(7)零偏压电容 CO:指二极管两端电压为零时,扩散电容及结电 容的容量之和。值得注意的是,由于制造工艺的限制,即使同一型号的二 极管其参数的离散性也很大。
二极管(Diode)
B、肖特基二极管
肖特基二极管是以其发明人肖特基博士(Schottky)命名的,SBD 是肖特基 势垒二极管(SchottkyBarrierDiode,缩写成 SBD)的简称。SBD 不是利用 P 型半 导体与 N 型半导体接触形成 PN 结原理制作的,而是利用金属与半导体接触形成 的金属-半导体结原理制作的。因此,SBD 也称为金属-半导体(接触)二极管 或表面势垒二极管,它是一种热载流子二极管。
其反向恢复时间极短(可以小到几纳秒),正向导通压降仅 0.4V左右, 而整流电流却可达到几千毫安。这些优良特性是快恢复二极管所无法比拟 的。中、小功率肖特基整流二极管大多采用封装形式。SBD具有开关频率高 和正向压降低等优点,但其反向击穿电压比较低,大多不高于 60V,最高仅 约 100V
SBD 的结构及特点使其适合于在低压、大电流输出场合用作高频整流, 在非常高的频率下(如 X 波段、C 波段、S 波段和 Ku 波段)用于检波和混 频,在高速逻辑电路中用作箝位。在 IC 中也常使用 SBD,像 SBD?TTL 集成
电路早已成为 TTL 电路的主流,在高速计算机中被广泛采用。
除了普通 PN 结二极管的特性参数之外,用于检波和混频的 SBD 电 气参数还包括中频阻抗(指 SBD 施加额定本振功率时对指定中频所呈现的 阻抗,一般在 200Ω~600Ω 之间)、电压驻波比(一般≤2)和噪声系数
等。
常应用我司电路中的 DC-DC 升压电路:

二极管(Diode) C、稳压二极管
稳压二极管(又叫齐纳二极管),此二极管是一种直到临界反向击穿电压前都具有 很高电阻的半导体器件.
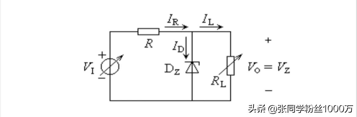
稳压工作原理:
此二极管是一种直到临界反向击穿电压都具有很高电阻的半导体器件.在这临界 击穿上,反向电阻降到一个很小的数值,在这个低电阻区中电流增加而电压则保持恒 定,稳压二极管是根据击穿电压来分档的,因为这种特性,稳压管主要被作为稳压器 或是电压基准元件使用.其伏安特性见图,稳压二极管可以串联起来以便在较高的电 压上使用,通过串联就可获得更多的稳定电压。

当输入电压变化时如何稳压
根据电路图可知
VO =VZ =VI −VR =VI −IRR IR =IL +IZ
输入电压VI的增加,必然引起VO的增加,即VZ增加,从而使IZ增加,IR增加,使VR增加, 从而使输出电压VO减小。这一稳压过程可概括如下:
VI↑→VO↑→VZ↑→IZ↑→IR↑→VR↑→VO↓
这里VO减小应理解为,由于输入电压VI的增加,在稳压二极管的调节下,使VO的增加 没有那么大而已。VO还是要增加一点的,这是一个有差调节系统。
(1) 当负载电流变化时如何稳压
负载电流IO的增加,必然引起IR的增加,即VR增加,从而使VZ=VO减小,IZ减小。IZ的 减小必然使IR减小,VR减小,从而使输出电压=VO增加。这一稳压过程可概括如下:
IO↑→IR↑→VR↑→VZ↓(VO↓)→IZ↓→IR↓→VR↓→VO↑

稳压二极管稳压电路的稳压性能与稳压二极管击穿特性的动态电阻有关,与 稳压电阻R的阻值大小有关。稳压二极管的动态电阻越小,稳压电阻R越大,稳 压性能越好。
稳压电阻R的作用是将稳压二极管电流的变化转换为电压的变化,从而起到 调节作用,同时R也是限流电阻。显然,R的数值越大,较小IZ的变化就可引起足 够大的VR变化,就可达到足够的稳压效果。但R的数值越大,就需要较大的输入 电压VI值,损耗就要加大
(1)稳定电压
(2) 稳定电流,最大、最小稳定电流。 (3) 最大允许电流
(4) 动态电阻
(5) 电压温度系数
稳压二极管的参数
二极管(Diode)
D、TVS 管
TVS(TRANSIENT VOLTAGE SUPPRESSOR)或称瞬变电压抑制二极 管是在稳压管工艺基础上发展起来的一种新产品,其电路符号和普通稳压 二极管相同,外形也与普通二极管无异,档 TVS 管两端经受瞬间的高能量冲 击时,它能以极高的速度(最高达 1*10-12 秒)使其阻抗骤然降低,同时吸 收一个大电流,将其两端间的电压箝位在一个预定的数值上,从而确保后 面的电路元件免受瞬态高能量的冲击而损坏。
TVS 瞬变电压抑制二极管的特性参数
1最大反向漏电流 ID 和额定反向关断电压 VWM。VWM 是 TVS 最大连续
工作的直流或脉冲电压,当这个反向电压加入 TVS 的两极间时,它处于反 向关断状态,流过它的电流应小于或等于其最大反向漏电流 ID。
2最小击穿电压 VBR 和击穿电流 IRVBR 是 TVS 最小的雪崩电压。25°C 时,在这个电压之前,TVS 是不导通的。当 TVS 流过规定的 1mA 电流(IR) 时,加入 TVS 两极间的电压为其最小击穿电压 VBR。按 TVS 的 VBR 与标准值 的离散程度,可把 TVS 分为±5%VBR 和平共处±10% VBR 两种。对于±5%VBR 来说,VWM=0.85VBR;对于±10% VBR 来说,VWM=0.81 VBR。
3最大箝拉电压 VC 和最大峰值脉冲电流 IPP 当持续时间为 20 微秒的 脉冲峰值电流 IPP 流过 TVS 时,在其两极间出现的最大峰值电压为 VC。它 是串联电阻上和因温度系数两者电压上升的组合。VC 、IPP 反映了 TVS 器 件的浪涌抑制能力。VC 与 VBR 之比称为箝位因子,一般在 1.2~1.4 之间。
4电容量 C 电容量 C 是 TVS 雪崩结截面决定的、在特定的 1MHZ 频率下 测得的。C 的大小与 TVS 的电流承受能力成正比,C 过大将使信号衰减。因 此,C 是数据接口电路选用 TVS 的重要参数。
5最大峰值脉冲功耗 PMPM 是 TVS 能承受的最大峰值脉冲耗散功率。其 规定的试验脉冲波形和各种 TVS 的 PM 值,请查阅有关产品手册。在给定的 最大箝位电压下,功耗 PM 越大,其浪涌电流的承受能力越大;在给定的功 耗 PM 下,箝位电压 VC 越低,其浪涌电流的承受能力越大。另外,峰值脉 冲功耗还与脉冲波形、持续时间和环境温度有关。而且 TVS 所能承受的瞬 态脉冲是不重复的,器件规定的脉冲重复频率(持续时间与间歇时间之比) 为 0.01%,如果电路内出现重复性脉冲,应考虑脉冲功率的“累积”,有可
能使 TVS 损坏。
6箝位时间 TCTC 是从零到最小击穿电压 VBR 的时间。对单极性 TVS 小
于 1×10-12 秒;对双极性 TVS 小于是 1×10-11 秒。
ESD 知识介绍
静电是一种客观的自然现象,产生的方式多种,如接触、摩擦等。静 电的特点是高电压、低电量、小电流和作用时间短的特点。
人体自身的动作或与其他物体的接触,分离,摩擦或感应等因素,可 以产生几千伏甚至上万伏的静电。
静电在多个领域造成严重危害。摩擦起电和人体静电是电子工业中的 两大危害。
生产过程中静电防护的主要措施为静电泄露、耗散、中和、增湿,屏 蔽与接地。
人体静电防护系统主要有防静电手腕带,脚腕带,工作服、鞋袜、帽、 手套或指套等组成,具有静电泄露,中和与屏蔽等功能。
静电防护工作是一项长期的系统工程,任何环节的失误或疏漏,都将 导致静电防护工作的失败。
静电的危害: 静电在我们的日常生活中可以说是无处不在,我们的身上和周围就带
有很高的静电电压,几千伏甚至几万伏。平时可能体会不到,人走过化纤 的地毯静电大约是 35000 伏,翻阅塑料说明书大约 7000 伏,对于一些敏 感仪器来讲,这个电压可能会是致命的危害。
常用二极管实物图:

二极管的检测:
极性的判别 将万用表置于 R×100 档或 R×1k 档,两表笔分别接二极管的 两个电极,测出一个结果后,对调两表笔,再测出一个结果。两次测量的结果 中,有一次测量出的阻值较大(为反向电阻),一次测量出的阻值较小(为正 向电阻)。在阻值较小的一次测量中,红表笔(数字万用表)接的是二极管的 正极,黑表笔接的是二极管的负极。
发光二极管
定义:注入一定的电流后,电子与空穴不断流过 PN 结或与之类似的结构
面,并进行自发复合产生辐射光的二极管半导体器件。
发光二极管简称为 LED。由镓(Ga)与砷(AS)、磷(P)的化合物制成的 二极管,当电子与空穴复合时能辐射出可见光,因而可以用来制成发光二极管。 在电路及仪器中作为指示灯,或者组成文字或数字显示。磷砷化镓二极管发红光, 磷化镓二极管发绿光,碳化硅二极管发黄光。
它是半导体二极管的一种,可以把电能转化成光能;常简写为LED。 发光二极管与普通二极管一样是由一个PN结组成,也具有单向导电性。当 给发光二极管加上正向电压后,从P区注入到N区的空穴和由N区注入到P 区的电子,在PN结附近数微米内分别与N区的电子和P区的空穴复合,产生 自发辐射的荧光。不同的半导体材料中电子和空穴所处的能量状态不同。 当电子和空穴复合时释放出的能量多少不同,释放出的能量越多,则发出 的光的波长越短。常用的是发红光、绿光或黄光的二极管。

发光二极管
晶体三极管
一、极管,全称应为半导体三极管,也称双极型晶体管,晶体三极管,是 一种电流控制电流的半导体器件.其作用是把微弱信号放大成辐值较大的电信号,
也用作无触点开关。
三极管图形:

二、管放大时管子内部的工作原理

1、发射区向基区发射电子
电源 Ub 经过电阻 Rb 加在发射结上,发射结正偏,发射区的多数载流 子(自由电子)不断地越过发射结进入基区,形成发射极电流 Ie。同时基区
晶体三极管 多数载流子也向发射区扩散,但由于多数载流子浓度远低于发射区载流子
浓度,可以不考虑这个电流,因此可以认为发射结主要是电子流。如下图:

2、基区中电子的扩散与复合
电子进入基区后,先在靠近发射结的附近密集,渐渐形成电子浓度差, 在浓度差的作用下,促使电子流在基区中向集电结扩散,被集电结电场拉 入集电区形成集电极电流 Ic。也有很小一部分电子(因为基区很薄)与基 区的空穴复合,扩散的电子流与复合电子流之比例决定了三极管的放大能 力。 如下图:

晶体三极管
3、集电区收集电子
由于集电结外加反向电压很大,这个反向电压产生的电场力将阻 止集电区电子向基区扩散,同时将扩散到集电结附近的电子拉入集电区从 而形成集电极主电流 Icn。另外集电区的少数载流子(空穴)也会产生漂 移运动,流向基区形成反向饱和电流,用 Icbo 来表示,其数值很小,但 对温度却异常敏感。

三极管是一种电流放大器件,但在实际使用中常常利用三极管的电流 放大作用,通过电阻转变为电压放大作用。
三、三极管的主要参数。
a. 特征频率 fT
当 f= fT 时,三极管完全失去电流放大功能.如果工作频率大于 fT,电路
将不正常工作.
b. 工作电压/电流 用这个参数可以指定该管的电压电流使用范围.
c. hFE d. VCEO
晶体三极管 电流放大倍数.
集电极发射极反向击穿电压,表示临界饱和时的饱和电压.
e. PCM
最大允许耗散功率.
f. 封装形式
指定该管的外观形状,如果其它参数都正确,封装不同将导致组 件无法在电路板上实现.
四、判断基极和三极管的类型
检测判别电极
(a) 判定基极。用万用表 R×100 或 R×1k 挡测量三极管三个电极中每两个极之 间的正、反向电阻值。当用第一根表笔接某一电极,而第二表笔先后接触另外两 个电极均测得低阻值时,则第一根表笔所接的那个电极即为基极 b。这时,要注 意万用表表笔的极性,如果红表笔接的是基极 b。黑表笔分别接在其他两极时, 测得的阻值都较小,则可判定被测三极管为 PNP 型管;如果黑表笔接的是基极 b,红表笔分别接触其他两极时,测得的阻值较小,则被测三极管为 NPN 型管。
(B)判定集电极和基极。如 NPN 型管,用红.黑标笔随意接集电极 c 和 发射极 e,然后用手同时接触红表笔和基极 b。测得阻值较小的那组,红表笔 接的是集电极 c,黑表笔接的是发射极 e。如图:

晶体三极管 测试方法原理:
红表笔是万用表的正极(黑表笔是负极)。人体有生物静电同时也等效于 一个 100K 左右的电阻.上图接法就是相当于满足了三极管的发射结正偏.集电 结反偏的条件,三极管处于微导通的状态,电流从红表笔通过黑表笔,所以测 试的阻值会较小。
PNP 的测试方法相反。
NPN 实物图(如下):

PNP 实物图(如下):

免责声明:文章内容来自互联网,版权归原作者所有,本站仅提供信息存储空间服务,真实性请自行鉴别,本站不承担任何责任,如有侵权等情况,请与本站联系删除。
转载请注明出处:超实用贴片元器件知识-贴片元件对照表 https://www.7ca.cn/zsbk/zt/7945.html