
半导体是如何实现导电的?
物质能否导电取决于构成物质的原子结构中是否存在自由电子(负电荷)或者空穴(正电荷),统称为载流子。导电能力的大小又取决于物质原子结构中载流子的多少,载流子越多,导电能力越强。我们知道金属导电,绝缘材料不导电,因此这两类材料就代表了要在导电和不导电之间做出选择。简单做个比喻,选择金属就是导电,选择绝缘材料就是不导电,这就是一个0和1之间做出选择的情况。但是如果两种状态都需要用到的时候怎么办?简单来说就是要在我想要它导电的时候变成“金属”,不想要它导电的时候变成“绝缘材料”,0和1都要,是可以选择和变化的。对于这种0和1的变换,这里就和我们在现在的计算机中的原理对应起来了,计算机本就是一系列的0和1二进制运算构成的系统,底层的逻辑就是导通和不导通的原理。什么样的材料能够实现“0和1”的兼容?半导体的出现给出了最好的答案。我们熟悉的半导体材料最多的就是Si了,如果是一个纯净的Si材料,经过一定的工艺制程单晶体可以变成本征半导体。Si晶体中的原子在空间中形成排列整齐的阵列,称为晶格。相邻的原子间距小,两个相邻的原子的一对最外层电子同时在自己的原子核圈内运动也在对方的轨道上出现,出现了共用电子的情况,这样的结构称为共价键结构,如下图所示(一个Si原子有4个电子):

正常情况下这种结构中的电子是非常稳定的,仅有极少数的共价电子由于热运动获得了足够的能力从而挣脱束缚成为自由电子,挣脱了束缚之后原来共价稳定的结构中就空出了一个位置,空出来的地方叫做空穴(由于电子脱离而带正电荷),自由飘荡在外的是自由电子(负电荷)。空穴和自由电子都是成对出现的,如果在结构中加上电压,那么电子将会产生定向运动从而形成电流。另一方面,价电子将会按照一定方向依次填补空穴,所以相对来说空穴也就有一个相对运动(依次跳到下一个坑里面去填上,再跳出来再填下一个,这样就流水线一样的动起来了)。这种可以流动的粒子统称为载流子,在导电的导体中只有可以自由移动的电子作为载流子,而在本征半导体中则有电子、空穴两种载流子,如下图所示。

本征半导体结构正常情况下相对稳定,结构中载流子在没有受到热激发的情况下为0。当半导体受到热激发,温度升高就会产生自由电子和空穴,随着温度升高浓度越来越高,导电能力越强。反之则浓度越低,导电能力越弱。为了使得半导体中的载流子浓度提高,提升导电能力可以通过向结构中注入其他的元素来破坏其原有的结构,简单来说就是挤出电子或者增加空穴。通常会选择Ⅲ-Ⅴ族的元素,如三价的硼B和五价的磷P。
三价元素外围只有3个电子,掺杂之后与周围的原子共价之后还缺少一个电子填空,因此形成了空穴(正电荷),构成了P(Positive的意思)型半导体。五价元素同样的道理,外围有5个电子,4个形成了共价键,多出来一个自由电子(负电荷),构成了N(Negative的意思)型半导体,如下图所示。在N型半导体中,自由电子浓度大于空穴,因此自由电子称为多子(多数的载流子),同样P型半导体中空穴是多子。


PN结与耗尽层
扩散运动:物质总是从浓度高的地方向浓度低的地方运动。当我们把P型和N型半导体放在一起的时候,两者之间不同载流子的浓度是不同的。P型半导体中空穴多,N型半导体自由电子多,彼此对于地方都是一个低浓度的地方。因此P型半导体的空穴会向N型半导体运动,N型半导体的自由电子会向P型半导体运动。当空穴和电子相遇的时候就自动结合,因此在交界面附近载流子的浓度下降。在结合过程中慢慢形成了电场区域,由N型指向P型,空穴与自由电子结合使得正负离子达到平衡,构成了内部静电场,电压为Uho。由于内部电场力的作用同时电场力的作用距离有限,因此正电荷被排斥向左边,自由电子被排斥在右边,中间形成了一个只有正负离子的区域。这个区域内没有载流子了,直接说就是载流子被消耗完了,因此空间电荷区又被称为耗尽层。

前面我们提到物质导电与否取决于结构中是否有载流子,导电能力大小取决于载流子的多少。在耗尽层中没有载流子了,因此这个区域就不导电了。当此时我们施加一个外部电压,电场力的方向和内部电场力的方向相反,抵消了内部电场力的作用,引起空穴向左边运动,自由电子向右边移动(同性相斥、异性相吸),从而使得耗尽层变窄,电阻降低,这个时候就能够实现导通了,如下图所示。

相反的,当外加一个反向电压,和内部电场力的方向保持一致,则耗尽层将会扩大,增大到一定程度则会导致PN结几乎被耗尽层占完,没有载流子了,无法导电,实现了断路的作用,如下图所示:

这样一来就实现了通断兼容,0和1随时切换了,这也是PN结的单向导通的基本原理,在数字电路里面这是实现0和1的方式,在功率电路里面是实现PWM转换器的基本手段。MOSFET管子的工作基本原理也是这样的,接下来我们将介绍MOSFET的基本工作原理。MOS的核心原理就是利用电场的作用,改变耗尽层的大小,使得该区域时而导电时而断开。
FET
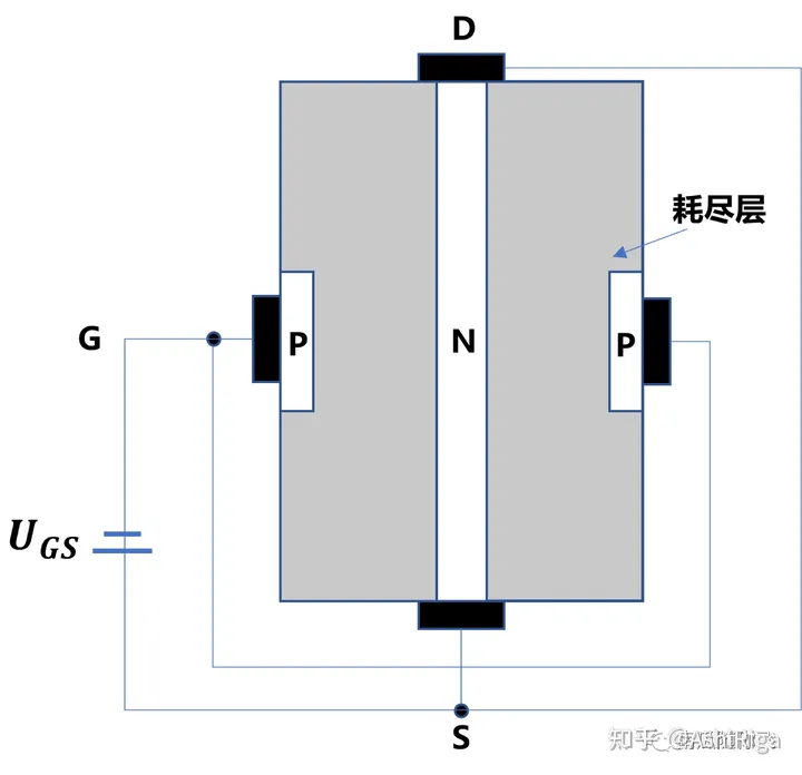
在介绍MOSFET之前,我们先来了解一下FET的工作原理。FET又叫做场效应管,有N沟道和P沟道两种(沟道就是其中载流子流过的通道),如下图所示。

FET:Field-Effect Transistor管子被称为场效应管,从名字就可以知道是通过利用电场力的作用来改变了内部耗尽层的宽度来实现对电流的控制。下面我们以以N沟道FET管子为例来说明整个工作的基本过程。其无外加电场的结构如下图所示:

我们先来看FET管子的D和S短路情况下通过改变G和S极之间的电压的情况。无外加电压的情况如上图所示,上面我们提到PN结在外加电场的作用下内部的耗尽层宽度会发生变化,因此我们可以通过增加Ugs电压来改变FET管子里面的耗尽层的宽度,随着Ugs的增加,耗尽层的宽度越来越大,最终形成了闭合,使得N沟道消失,电阻无限大,此时的Ugs就被叫做夹断电压Ugsoff,如下图所示:


上面的分析是在D和S之间短路的情况,此时我们来看看Ugs在0-UGSoff之间的某一个数值的情况下,漏极和源极之间电压Ugs对FET管子的影响。当D和S之间外加电压的时候其结构如下图所示:

此时D和S之间有加载外部电压,因此由于外部电场的作用引起内部的垂直方向上有载流子的运动,因此有电流。但是由于电压Uds从漏极向源极压降,同时加上外部加载的Ugs引起了耗尽层的拓宽,综合两者的影响,在靠近D极的地方耗尽层宽,向源极往下耗尽层逐渐变窄。沟道没有被完全耗尽,因此D和S之间的电流仍然能够通过,并且随着Uds的增加电流的大小也增加,两者呈现线性变化的关系,实际上就是管子的电阻特性,对应特性曲线里面的线性区域。
当Uds进一步增大,Ugd=Ugs-Uds,Ugd逐渐减小,也就是管子的上半部分的电压作用逐渐减小,其方向与Ugs方向相反,因此上半部分的耗尽层逐渐被Uds和Ugs的共同作用影响而变宽,出现了顶部夹断的情况,如下图所示:

当Uds继续增加,耗尽层将向下逐渐变宽,使得整个夹断区域变长。当Ugd<Ugsoff时候,一方面由D到S的电流随着Uds的增加而增加,另外一方面沟道被耗尽,载流子变少,移动被阻碍,因此电流减小。这两方面的影响是相互制约的,并且增加的Uds几乎全部被用来克服耗尽层的阻碍,因此电流并没有随着Uds的增加而变化,FET呈现了恒流特性。如下图所示:将每一个情况与对应的曲线图对应起来如下图所示:

MOSFET
MOSFET:Metal-Oxide-Semiconductor Field-Effect Transistor。即金属氧化物半导体场效应晶体管。名字一定是和它的材料、结构强相关的。我们结合MOSFET的管子结构图来理解一下,如下图所示:
电极采用了金属,在金属下面有一层氧化层,然后是掺杂的半导体区域,将这样的结构用来构成上面提到的FET,由此便构成了MOSFET。MOSFET也有N沟道、P沟道的区别,根据Ugs为零时漏极电流是否为0还可以分为增强型(上面介绍FET的时候就类似一种增强型)和耗尽型。N沟道增强型、N沟道耗尽型、P沟道增强型、P沟道耗尽型四种。以N沟道增强型为例,如下图所示:

MOSFET和上面提到的结型场效应管的控制机理有所不同,但是核心的机理都是控制耗尽层来实现对电流的控制。当Uds为0的时候,栅极因为有氧化绝缘层的缘故,因此栅极的电流为0。但是栅极上面加载了正电压,因此会聚集大量的正电荷,这些正电荷排斥P型半导体里面的空穴(正电荷之间的同性相斥),靠近氧化硅绝缘层,因此会在中间区域形成一个没有载流子的区域,也就是之前提到的耗尽层。如下图所示:

当Ugs增大时,一方面耗尽层将会变宽,另一方面,由于加载了正电压,P型区域的自由电子将会被吸引进入到耗尽层与绝缘层之间的区域,形成一个N区,将两极区域连接起来。这个薄型区域就叫做反型区(与P型相反,顾名思义反型区)。连通起来的S和D之间有了N型沟道,自由电子可以实现电流的导通,反型层越大沟道的电阻越小,如下图所示。

对于如何利用Uds控制电流的原理基本和前面提到的分析相类似,这里就不重复了。
免责声明:文章内容来自互联网,版权归原作者所有,本站仅提供信息存储空间服务,真实性请自行鉴别,本站不承担任何责任,如有侵权等情况,请与本站联系删除。
转载请注明出处:功率器件简介:MOSFET基本原理-mosfet和功率mosfet https://www.7ca.cn/zsbk/zt/8119.html