1. ECM原理
ECM是指驻极体电容式麦克风,与MEMS硅麦不同,其内部结构如图1所示。MIC内部有一个充有一定电荷的膜片电容,电容其中一个极板与FET连接,由于FET的基极输入阻抗很高,可以认为电容的电荷不会消失。膜片随着外部声压振动,使得电容两个极板之间距离发生变化,从而导致电容发生变化,从电容公式可以知道,电荷一定的情况下,当电容值发生改变时,电压也会发生变化,即FET的GS电压改变导致DS电流发生变化,电流的变化导致外部偏置电阻上的电压发生变化,从而使得MIC输出端DS电压发生变化,其电压变化量和偏置电阻的电压变化量相等。

上述的工作原理其实就是三极管(或MOSFET)的放大用法,在实际工作中,我们使用三极管(或MOSFET)多数是开关作用居多,我在之前的一篇文章里

就简单讲述过三极管放大区的静态工作点设置方法,其本质与MIC内部FET的工作原理相同,使FET工作于饱和区(对应三极管的线性放大区)。
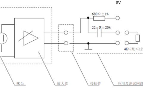
2. ECM参数规格
根据上述参考文章的讲解,要想MIC输出电压的动态范围最大,需要合适的偏置电阻将正极+输出电压设置在Vs的一半。根据MIC规格书中的电气参数可知(图2),静态电流为500uA,因此RL=(Vs-V+)/Idss=(2-1)V/500uA=2K,实际选择了2.2K,相差不大。这也是多数MIC推荐的工作条件:2V偏置电压、2.2K偏置电阻。在此条件下,可以计算得出MIC两端的静态电压Vbias=2-2.2K*500uA=0.9V。

设定好偏置电阻后,我们需要确定MIC输出的交流电压,因为真正有用的声音信息包含在交流电压信号中。根据模电MOSFET交流等效模型可得,MIC的交流等效电路如图3所示。由于FET的rgs很大,所以膜片电容上的电荷基本不会放电消失;由于rd相对RL很大,并联之后可以忽略rd,因此MIC的交流输出电压V=gmVgs*RL,由此可知,要想获得较大的有效交流输出信号,可以增大偏置电阻RL。增大偏置电阻,虽然会使动态范围变小,但由于MIC最大的峰峰值输出电压也不会很大(详见下文),所以除非偏置电阻设置过大不合理,一般情况也不会导致输出波形失真。

另外,从电气参数中可知该MIC的灵敏度为-38dB,输入的最大声压级为110dB SPL。从这两个参数我们可以得到MIC输出的最大有效电压值。首先,MIC的灵敏度定义为:在单位声压激励下输出电压与输入声压的比值,即,给MIC 1Pa(94dB SPL声压级)的声压时,麦克风输出的电压(dBV), 20log(xV/Pa1V/Pa)=−38dB20log\left( \frac{xV/P_{a}}{1V/P_{a}} \right)=-38dB ,可得该MIC的灵敏度 x=10−3820=12.59mV(rms)/Pax=10^{\frac{-38}{20}}=12.59mV(rms)/P_{a} 。声压级以符号SPL表示,其定义为将待测声压有效值P(e)与参考声压P(ref)的比值, SPL=20log(PPr)SPL=20log(\frac{P}{Pr}) ,Pr=2*10E-5Pa,可得该MIC的最大声压 P=10SPL20Pr=6.32PaP=10^{\frac{SPL}{20}}Pr=6.32Pa ,因此该MIC的最大输出有效电压值为6.32*12.59mV=79.6mV(rms),对应的最大峰值为79.6*1.414=112mV。因此,MIC两端电压为:Vbias=0.9V;Vac=±0.112V。由此可知,有效电压相对较小,所以上述的增大偏置电阻牺牲一部分动态范围,以获得较大的输出电压是可行的。
3. ECM电路参数设计
ECM典型的应用电路是差分接法,如图4所示,其交流等效电路如图所示。电阻R3、R6和电容C3构成RC低通滤波,给电源MICBIAS滤波。电阻R4和R5是MIC的偏置电阻,根据交流等效电路(图5)可知,R4+R5=RL=2.2K,得R4=R5=1.1K。假设Vbias=2.4V,为了使图中红圈处点电压等于MIC推荐的工作电压2V,则电阻R(=R3+R6)上的压降=2.4-2=0.4V,则R=0.4/500uA=800R,因此,R3=R6=400R,取常用值390R。这是理论计算值,但是很多情况下,为了获得较大的有效交流输出电压,会选择较大的偏置电阻,这可以根据实际情况进行权衡。
假设电阻R3、R6和电容C3组成的RC低通滤波截止频率为10Hz,则1/(2πRC)=10,得到C3=C=20uF,取常用值22uF。C3可以等效成2个电容分别与地相连,即2个电容串联,每个电容值为2C=44uF(电容串联,电容值减小一半)。C6用于滤除差模干扰,一般取值220pF,C4和C5滤除共模干扰,一般取33pF。
电阻R1、R2,Codec芯片引脚的输入阻抗Rc,和隔直电容C1、C2组成高通滤波器。一般情况下芯片引脚的输入阻抗都比较大,R1和R2就可以忽略,所以很多设计都可以不用电阻R1和R2。


ECM还有另外一种差分接法,如图6所示,参数计算方法相同。其交流输出和上一种接法相同,但是这种接法有一个好处,就是MIC输入到Codec的静态电压不会因为Vbias电压波动而受影响,其静态电压为电阻R4的压降,而MIC的静态电流可以认为基本不变,因此R4的静态压降也不变。而上一种接法当Vbias变化时,MIC两端的静态电压会因为外部电阻的压降而发生变化,使Codec误认为有MIC有交流输出,形成噪声。

从上述分析也可以看出,无论何种差分接法,都不算真正的差分,因为差分信号的共模电压是相同的,而上述的差分接法,P和N的共模电压是不同的。正因此,Vbias的波动会使得共模电压变化转变成差模电压,形成噪声。
MIC除了差分接法外,网络上还能查到一种叫伪差分的接法,如图7所示。区别在于MIC一端接地,差分对中的一个信号外接电阻到地,该电阻需要和MIC的输出阻抗匹配。本人没有使用过该电路,所以不知实际效果如何,也不做过多介绍。

MIC除了差分接法外,常见的还有单端接法,就是文章开头所述的原理部分,不再赘述。
4. ECM电路Layout注意点
以实际应用过差分接法电路为例(图8),除了C156、C157和C153要靠近芯片引脚放置之外,其他阻容最好都靠近MIC位置放置。在有些资料中会提到,MICBIAS相关的阻容应该靠近芯片放置,但是个人觉得这部分阻容也应该靠近MIC放置,因为MICBIAS电压是用于给MIC供电工作的,同时在芯片MICBIAS引脚位置也放置一个滤波电容C153。差分接法要注意布线按照差分规则进行。另外,需要注意的一个点就是音频部分的地和系统地最好分开,以免受到干扰。

本文就到这里,毕竟本人非音频专业人员,仅仅针对过往项目做了一个简单总结,其中的谬误或者不足,有高手看到请不吝赐教。
免责声明:文章内容来自互联网,版权归原作者所有,本站仅提供信息存储空间服务,真实性请自行鉴别,本站不承担任何责任,如有侵权等情况,请与本站联系删除。
转载请注明出处:驻极体麦克风(ECM)电路设计总结 https://www.7ca.cn/zsbk/zt/9427.html