什么是电压跟随器?电压跟随器有什么作用

电压跟随器是一种电路,其输出电压跟随输入电压的变化而变化。它被广泛应用于电子设备中,尤其是在信号放大和控制电路中。在本文中,我们将探讨电压跟随器的工作原理、应用以及设计。

一、电压跟随器的工作原理

电压跟随器是一种反馈电路,其基本原理是利用负反馈来实现输出电压与输入电压之间的匹配。它由两个基本组成部分构成:一个放大器和一个反馈电路。放大器可以是任何类型的放大器,如共射放大器、共基放大器或共集放大器。反馈电路的作用是将放大器的输出信号与输入信号进行比较,并将其差异反馈到放大器的输入端,以保持输出电压的稳定性。

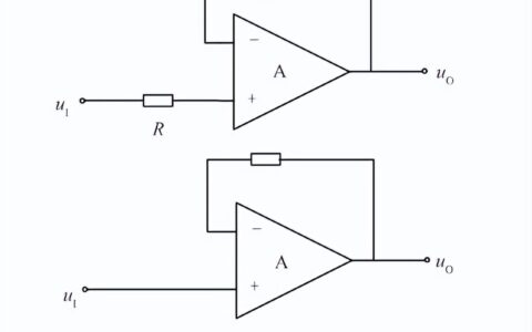
电压跟随器的典型电路图如下所示:

什么是电压跟随器?电压跟随器有什么作用

其中,输入信号Vin通过R1接入放大器的非反向输入端,输出信号Vout通过R2反馈到放大器的反向输入端,形成一个负反馈回路。由于反馈回路中的电阻R1和R2相等,所以可以保证输出电压Vout与输入电压Vin相等,即Vout = Vin。唯样商城自建高效智能仓储,拥有自营库存超100,000种,提供一站式正品现货采购、个性化解决方案、选型替代等多元 化服务。

二、电压跟随器的应用

电压跟随器被广泛应用于电子设备中,其主要作用是保持信号的稳定性和放大信号。以下是其主要应用:

什么是电压跟随器?电压跟随器有什么作用
信号放大器

电压跟随器可以作为信号放大器,将输入信号放大,以便进一步处理。例如,它可以用于音频放大器、视频放大器和电路控制器等方面。

电压调节器

电压跟随器可以用作电压调节器,以保持输出电压的稳定性。例如,它可以用于直流电源、电池充电器和LED驱动器等方面。

信号缓冲器

电压跟随器可以用作信号缓冲器,以避免信号损失和失真。例如,它可以用于传感器信号放大和信号线驱动器等方面。

工业控制器

电压跟随器可以用于工业控制器中,以保持输出信号的稳定性,并控制工业设备的运行。例如,它可以用于PLC(可编程逻辑控制器)和PID(比例积分微分)控制器等方面。

三、电压跟随器的设计

设计电压跟随器需要考虑一些重要因素,例如输入和输出电阻、反馈电路和放大器的增益等。以下是一些设计要点:

选择适当的放大器

放大器的选择取决于应用要求。例如,高精度应用需要选择高增益、低噪声和高带宽的放大器。同时,需要考虑放大器的输入和输出阻抗,以保证电压跟随器的稳定性。

选择适当的反馈电路

反馈电路的选择取决于放大器的类型和应用要求。例如,共射放大器需要选择电阻反馈电路,而共集放大器需要选择电容反馈电路。需要考虑反馈电路的带宽、稳定性和响应时间等因素。

选择适当的元件

选择适当的元件是设计电压跟随器的关键。例如,需要选择高精度的电阻和电容,以保证电压跟随器的稳定性和精度。同时,需要考虑元件的温度系数和漂移,以避免影响电压跟随器的性能。

什么是电压跟随器?电压跟随器有什么作用
考虑功耗和热量

电压跟随器需要消耗一定的功率,因此需要考虑功耗和热量问题。例如,在高功率应用中需要选择适当的散热器,以保证电压跟随器的稳定性和寿命。

进行仿真和测试

在设计完成后,需要进行仿真和测试,以验证电压跟随器的性能和可靠性。例如,可以使用SPICE仿真软件模拟电路的性能,或使用实验室测试设备进行测试。

四、总结

电压跟随器是一种重要的电路,其主要作用是保持信号的稳定性和放大信号。它被广泛应用于电子设备中,如信号放大器、电压调节器、信号缓冲器和工业控制器等方面。在设计电压跟随器时,需要考虑适当的放大器、反馈电路、元件、功耗和热量等因素,并进行仿真和测试,以保证电路的性能和可靠性。

免责声明:文章内容来自互联网,版权归原作者所有,本站仅提供信息存储空间服务,真实性请自行鉴别,本站不承担任何责任,如有侵权等情况,请与本站联系删除。
转载请注明出处:什么是电压跟随器?电压跟随器有什么作用 https://www.7ca.cn/zsbk/zt/10054.html

什么是电压跟随器,它有哪些特点,应用于哪些场合?
上一篇 2024年4月13日 13:44:41
下一篇 2024年4月13日 14:12:13

联系我们

在线咨询: QQ交谈

邮件:362039258#qq.com(把#换成@)

工作时间:周一至周五,10:30-16:30,节假日休息。